Hlavní stránka >
Příslušenství >
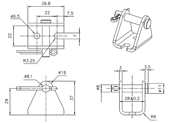
Držák MB22
Montážní držák MB22 pro lineární aktuátory
Slouží pro pohyblivé uchycení aktuátoru série LD3 a LD20. Držák se může použít na obou koncích aktuátoru.
Označení
Stav skladu
Objednat
