Hlavní stránka >
Stejnosměrné motory s čelní převodovkou >
Série SG300
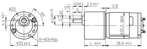
DC motor série SG300 s čelní převodovkou
- Stejnosměrný komutátorový motor s uhlíkovými kartáči
- Obsahuje filtr k potlačení elektromagnetického rušení
- Čelní převodovka s kovovými ozubenými koly (kromě prvního stupně)
- Z důvodu snížení hlučnosti jsou ozubená kola prvního stupně převodovky z bakelitu
- Výstupní hřídel je uložena v kluzném ložisku
Vlastnosti motoru s převodovkou
| Převodový poměr | 20:1 | 30:1 | 50:1 | 60:1 | 75:1 | 100:1 | 150:1 | |
|---|---|---|---|---|---|---|---|---|
| 12 V | Jm. moment [kg-cm] | 1,0 | 1,5 | 2,0 | 2,0 | 3,0 | 3,0 | 4,0 |
| Jm. otáčky [ot/min] | 255 | 168 | 107 | 91 | 73 | 56 | 37,5 | |
| 24 V | Jm. moment [kg-cm] | 1,0 | 1,5 | 2,0 | 2,0 | 3,0 | 3,0 | 4,0 |
| Jm. otáčky [ot/min] | 258 | 168 | 107 | 91 | 73 | 56 | 37,4 | |
| Hmotnost [g] | 162 | 162 | 162 | 162 | 162 | 162 | 171 | |
| Převodový poměr | 180:1 | 250:1 | 400:1 | 600:1 | 900:1 | |
|---|---|---|---|---|---|---|
| 12 V | Jm. moment [kg-cm] | 4,5 | 4,5 | 4,5 | 4,5 | 4,5 |
| Jm. otáčky [ot/min] | 32 | 24 | 15,2 | 10,4 | 6,9 | |
| 24 V | Jm. moment [kg-cm] | 4,5 | 4,5 | 4,5 | 4,5 | 4,5 |
| Jm. otáčky [ot/min] | 31,8 | 24 | 15,1 | 10,3 | 6,9 | |
| Hmotnost [g] | 171 | 171 | 171 | 171 | 171 | |

Vlastnosti převodovky
- Vůle naprázdno ≤ 2 °
- Radiální zatížení ≤ 0,8 kg (10 mm od příruby)
- Axiální zatížení ≤ 0,6 kg
- Síla při lisování na hřídel ≤ 10 kg
- Radiální vůle ≤ 0,05 mm
- Osová vůle ≤ 0,35 mm
- Provozní teplota -10...60 °C
- Relativní vlhkost 20...85 %
| Převodový poměr | 20:1 | 30 | 50, 60:1 | 75, 100:1 | 150:1 | 180, 250, 400, 600, 900:1 |
|---|---|---|---|---|---|---|
| Max. trvalý moment [kg-cm] | 1,0 | 1,5 | 2,0 | 3,0 | 4,0 | 4,5 |
| Účinnost [%] | 66 | 66 | 66 | 66 | 53 | 53 |
| Délka L [mm] | 23 | 23 | 23 | 23 | 28 | 28 |
Vlastnosti motoru
| Jm. napětí [V] | Jm. moment [g-cm] | Jm. otáčky [ot/min] | Jm. proud [mA] | Otáčky naprázdno [ot/min] | Proud naprázdno [mA] | Jm. výkon [W] |
|---|---|---|---|---|---|---|
| 12 | 78 | 5290 | ≤530 | 6500 | ≤150 | 4,22 |
| 24 | 74 | 5250 | ≤250 | 6500 | ≤85 | 3,97 |
