Hlavní stránka >
Stejnosměrné motory s čelní převodovkou >
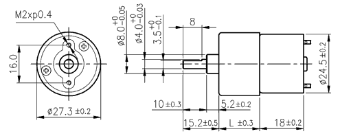
Série SGC270
DC motor série SGC270 s čelní převodovkou
Výroba této série je ukončena.
Bohužel v tuto chvíli jsou dostupné už jen motory na mém skladě.
Bohužel v tuto chvíli jsou dostupné už jen motory na mém skladě.
Stejná převodovka je použita v sérii SGC271, která slouží zatím jako nejbližší náhrada.
- Stejnosměrný komutátorový motor s kovovými kartáči
- Obsahuje filtr k potlačení elektromagnetického rušení
- Čelní převodovka s kovovými ozubenými koly
- První stupně převodovky jsou z mosazi
- Výstupní hřídel je uložena v kluzném ložisku
Vlastnosti motoru s převodovkou
| Převodový poměr | 10:1 | 15:1 | 21:1 | 30:1 | 44:1 | 60:1 | 77:1 | 100:1 | 112:1 | 150:1 | 170:1 | |
|---|---|---|---|---|---|---|---|---|---|---|---|---|
| 12 V | Jm. moment [g-cm] | 89 | 120 | 171 | 215 | 315 | 429 | 549 | 715 | 805 | 825 | 939 |
| Jm. otáčky [ot/min] | 375 | 250 | 176 | 125 | 85 | 63 | 49 | 37 | 33 | 25 | 22 | |
| 24 V | Jm. moment [g-cm] | 45 | 60 | 90 | 110 | 160 | 220 | 290 | 370 | 410 | 430 | 480 |
| Jm. otáčky [ot/min] | 420 | 280 | 195 | 140 | 95 | 70 | 55 | 42 | 37 | 27 | 24 | |
| Hmotnost [g] | 59 | 60 | 60 | 61 | 61 | 61 | 61 | 62 | 62 | 62 | 62 | |
| Převodový poměr | 200:1 | 250:1 | 320:1 | 360:1 | 500:1 | 700:1 | 800:1 | 900:1 | 1150:1 | |
|---|---|---|---|---|---|---|---|---|---|---|
| 12 V | Jm. moment [g-cm] | 1100 | 1200 | 1200 | 1200 | 1500 | 1500 | 1500 | 1500 | 1500 |
| Jm. otáčky [ot/min] | 19 | 15 | 12 | 10,5 | 7,5 | 5,6 | 5,0 | 4,9 | 4,0 | |
| 24 V | Jm. moment [g-cm] | 560 | 700 | 900 | 950 | 1050 | 1500 | 1500 | 1500 | 1500 |
| Jm. otáčky [ot/min] | 20 | 16 | 13 | 11,3 | 8,0 | 5,7 | 5,3 | 5,0 | 4,1 | |
| Hmotnost [g] | 62 | 62 | 62 | 62 | 63 | 63 | 63 | 63 | 63 | |

Vlastnosti převodovky
- Vůle naprázdno ≤ 2 °
- Radiální zatížení ≤ 0,3 kg (10 mm od příruby)
- Axiální zatížení ≤ 0,2 kg
- Síla při lisování na hřídel ≤ 2 kg
- Radiální vůle ≤ 0,05 mm
- Osová vůle ≤ 0,3 mm
- Provozní teplota -10...60 °C
- Relativní vlhkost 20...85 %
| Převodový poměr | 10:1 | 15, 21:1 | 30, 44:1 | 60, 77:1 | 100, 112:1 | 150, 170, 200, 250, 320, 360:1 |
500, 700, 800, 900, 1150:1 |
|---|---|---|---|---|---|---|---|
| Max. trvalý moment [kg-cm] | 0,3 | 0,4 | 0,6 | 0,8 | 1,0 | 1,2 | 1,5 |
| Účinnost [%] | 81 | 73 | 65 | 65 | 65 | 50 | 40 |
| Délka L [mm] | 17,3 | 17,3 | 17,3 | 17,3 | 17,3 | 17,3 | 19,3 |
Vlastnosti motoru
| Jm. napětí [V] | Jm. moment [g-cm] | Jm. otáčky [ot/min] | Jm. proud [mA] | Otáčky naprázdno [ot/min] | Proud naprázdno [mA] | Jm. výkon [W] |
|---|---|---|---|---|---|---|
| 12 | 11 | 3750 | ≤80 | 5200 | ≤40 | 0,40 |
| 24 | 10 | 6400 | ≤60 | 8000 | ≤15 | 0,66 |
