Hlavní stránka >
Stejnosměrné motory s planetovou převodovkou >
Série PG220
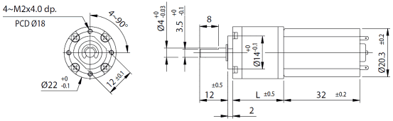
DC motor série PG220 s planetovou převodovkou
- Kvalitní stejnosměrný komutátorový motor s uhlíkovými kartáči
- Obsahuje filtr k potlačení elektromagnetického rušení
- Obousměrný, směr otáčení nastavíte změnou polarity napájecího napětí
- K dispozici také verze s enkodérem
- Planetová převodovka s kovovými ozubenými koly (kromě prvního stupně)
- Z důvodu snížení hlučnosti jsou ozubená kola prvního stupně převodovky z plastu
- Výstupní hřídel je uložena v kuličkovém ložisku
Vlastnosti motoru s převodovkou
| Převodový poměr | 4:1 | 14:1 | 16:1 | 19:1 | 53:1 | 62:1 | 72:1 | 84:1 | 104:1 | 198:1 | |
|---|---|---|---|---|---|---|---|---|---|---|---|
| 12 V | Jm. moment [g-cm] | 77 | 215 | 250 | 295 | 695 | 810 | 950 | 1100 | 1370 | 2100 |
| Jm. otáčky [ot/min] | 1450 | 470 | 405 | 348 | 127 | 109 | 93 | 79 | 64 | 34 | |
| 24 V | Jm. moment [g-cm] | 77 | 215 | 250 | 295 | 695 | 810 | 950 | 1100 | 1370 | 2100 |
| Jm. otáčky [ot/min] | 1600 | 515 | 450 | 384 | 140 | 120 | 103 | 88 | 71 | 37 | |
| Hmotnost [g] | 58 | 62 | 62 | 62 | 66 | 66 | 66 | 66 | 81 | 91 | |
| Převodový poměr | 270:1 | 316:1 | 455:1 | 742:1 | 1014:1 | 1249:1 | 1621:1 | 1996:1 | |
|---|---|---|---|---|---|---|---|---|---|
| 12 V | Jm. moment [g-cm] | 2500 | 2500 | 2500 | 3000 | 3000 | 3000 | 3000 | 3000 |
| Jm. otáčky [ot/min] | 25 | 22 | 15,5 | 9,5 | 7,4 | 6,0 | 4,6 | 3,8 | |
| 24 V | Jm. moment [g-cm] | 2500 | 2500 | 2500 | 3000 | 3000 | 3000 | 3000 | 3000 |
| Jm. otáčky [ot/min] | 28 | 23,5 | 17,5 | 10,5 | 8,0 | 6,6 | 5,0 | 4,2 | |
| Hmotnost [g] | 91 | 91 | 91 | 96 | 96 | 96 | 96 | 96 | |

Vlastnosti převodovky
- Vůle naprázdno ≤ 3 °
- Radiální zatížení ≤ 1 kg (10 mm od příruby)
- Axiální zatížení ≤ 0,6 kg
- Síla při lisování na hřídel ≤ 5 kg
- Radiální vůle ≤ 0,05 mm
- Axiální vůle ≤ 0,2 mm
- Provozní teplota -10...60 °C
- Relativní vlhkost 20...85 %
| Převodový poměr | 4:1 | 14, 16, 19:1 | 53, 62, 72, 84, 104:1 |
198, 270, 316, 455:1 |
742, 1014, 1249, 1621, 1996:1 |
|---|---|---|---|---|---|
| Max. trvalý moment [kg-cm] | 1,0 | 1,5 | 2,0 | 2,5 | 3,0 |
| Účinnost [%] | 80 | 70 | 60 | 50 | 40 |
| Délka L [mm] | 14,4 | 18,05 | 21,7 | 25,35 | 29 |
Vlastnosti motoru
| Jm. napětí [V] | Jm. moment [g-cm] | Jm. otáčky [ot/min] | Jm. proud [mA] | Otáčky naprázdno [ot/min] | Proud naprázdno [mA] | Jm. výkon [W] |
|---|---|---|---|---|---|---|
| 12 | 22 | 6700 | ≤200 | 8000 | ≤70 | 1,5 |
| 24 | 22 | 7400 | ≤110 | 9000 | ≤40 | 1,7 |

Vlastnosti enkodéru
- Magnetický enkodér s hallovými sondami
- Dva senzory vzájemně posunuté o 90 °
- Výstup je zapojen jako otevřený kolektor
- 3 pulsy na otáčku motoru (PPR) a senzor
- Napájecí napětí 3,5 až 20 V
- Bez krytu enkodéru (D = 8,5 mm)
- Ke konektoru nabízíme vhodné vidlice do plošného spoje