Hlavní stránka >
Stejnosměrné motory s planetovou převodovkou >
Série PG321
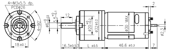
DC motor série PG321 s planetovou převodovkou
- Kvalitní stejnosměrný komutátorový motor s uhlíkovými kartáči
- Obsahuje filtr k potlačení elektromagnetického rušení
- Obousměrný, směr otáčení nastavíte změnou polarity napájecího napětí
- K dispozici také verze s enkodérem
- Planetová převodovka s kovovými ozubenými koly (kromě prvního stupně)
- Z důvodu snížení hlučnosti jsou ozubená kola prvního stupně převodovky z plastu
- Výstupní hřídel je uložena v kuličkovém ložisku
Tuto sérii je možné dodat spolu s úhlovou převodovkou
Vlastnosti motoru s převodovkou
| Převodový poměr | 5:1 | 14:1 | 19:1 | 27:1 | 35:1 | 51:1 | 71:1 | 100:1 | 139:1 | 189:1 | 264:1 | 516:1 | 721:1 | 939:1 | |
|---|---|---|---|---|---|---|---|---|---|---|---|---|---|---|---|
| 12 V | Jm. moment [kg-cm] | 0,45 | 1,1 | 1,5 | 2,1 | 2,7 | 3,4 | 4,7 | 6,6 | 9,1 | 10 | 12 | 12 | 12 | 12 |
| Jm. otáčky [ot/min] | 1140 | 430 | 310 | 221 | 170 | 117 | 83 | 60 | 44 | 32 | 24 | 12,9 | 9,5 | 7,2 | |
| 24 V | Jm. moment [kg-cm] | 0,54 | 1,2 | 1,7 | 2,4 | 3,1 | 4,0 | 5,5 | 7,8 | 10 | 12 | 12 | 12 | 12 | 12 |
| Jm. otáčky [ot/min] | 1170 | 445 | 320 | 229 | 176 | 121 | 87 | 62 | 45 | 34 | 25 | 13 | 9,6 | 7,2 | |
| Hmotnost [g] | 211 | 231 | 231 | 231 | 231 | 256 | 256 | 256 | 256 | 282 | 282 | 282 | 282 | 282 | |

Vlastnosti převodovky
- Vůle naprázdno ≤ 2,5 °
- Radiální zatížení ≤ 3,5 kg (10 mm od příruby)
- Axiální zatížení ≤ 2,5 kg
- Síla při lisování na hřídel ≤ 10 kg
- Radiální vůle ≤ 0,05 mm
- Osová vůle ≤ 0,3 mm
- Provozní teplota -10...60 °C
- Relativní vlhkost 20...85 %
| Převodový poměr | 5:1 | 14:1 | 19:1 | 27:1 | 35:1 | 51:1 | 71:1 | 100:1 | 139:1 | 189:1 | 264:1 | 516:1 | 721:1 | 939:1 |
|---|---|---|---|---|---|---|---|---|---|---|---|---|---|---|
| Max. trvalý moment [kg-cm] | 2,0 | 4,0 | 4,0 | 6,0 | 6,0 | 8,0 | 8,0 | 10,0 | 10,0 | 12,0 | 12,0 | 12,0 | 12,0 | 12,0 |
| Účinnost [%] | 80 | 70 | 70 | 70 | 70 | 60 | 60 | 60 | 60 | 50 | 50 | 50 | 50 | 50 |
| Délka L [mm] | 17,6 | 24 | 24 | 24 | 24 | 30,4 | 30,4 | 30,4 | 30,4 | 36,8 | 36,8 | 36,8 | 36,8 | 36,8 |
Vlastnosti motoru
| Jm. napětí [V] | Jm. moment [g-cm] | Jm. otáčky [ot/min] | Jm. proud [mA] | Otáčky naprázdno [ot/min] | Proud naprázdno [mA] | Jm. výkon [W] |
|---|---|---|---|---|---|---|
| 12 | 110 | 5950 | ≤900 | 7300 | ≤150 | 7,0 |
| 24 | 130 | 6160 | ≤500 | 7300 | ≤80 | 8,5 |

Vlastnosti enkodéru
- Magnetický enkodér s hallovými sondami
- Dva senzory vzájemně posunuté o 90 °
- Výstup je zapojen jako otevřený kolektor
- 7 pulsů na otáčku motoru (PPR) a senzor
- Napájecí napětí 3,5 až 20 V
- Délka krytu enkodéru (D) 12,6 mm
- Ke konektoru nabízíme vhodné vidlice do plošného spoje
Parametry úhlové převodovky
- Převod 1:1
