Hlavní stránka >
Stejnosměrné motory s planetovou převodovkou >
Série PG520
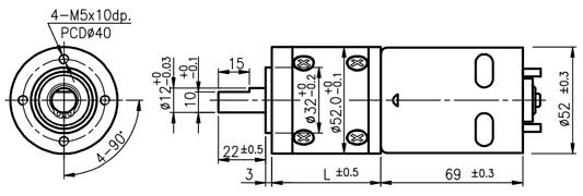
DC motor série PG520 s planetovou převodovkou
- Kvalitní stejnosměrný komutátorový motor s uhlíkovými kartáči
- Obsahuje filtr k potlačení elektromagnetického rušení
- Obousměrný, směr otáčení nastavíte změnou polarity napájecího napětí
- Planetová převodovka s kovovými ozubenými koly
- Výstupní hřídel je uložena v kuličkovém ložisku
- K dispozici také verze s enkodérem
Vlastnosti motoru s převodovkou
| Převodový poměr | 3:1 | 4:1 | 12:1 | 15:1 | 19:1 | 43:1 | 53:1 | 66:1 | 81:1 | 100:1 | |
|---|---|---|---|---|---|---|---|---|---|---|---|
| 12 V | Jm. moment [kg-cm] | 1,3 | 1,65 | 4,1 | 5,0 | 6,3 | 12 | 15 | 19 | 23 | 28 |
| Jm. otáčky [ot/min] | 1560 | 1260 | 450 | 369 | 305 | 130 | 105 | 85 | 68,5 | 55,5 | |
| 24 V | Jm. moment [kg-cm] | 1,8 | 2,2 | 5,5 | 6,8 | 8,5 | 16 | 20 | 25 | 31 | 39 |
| Jm. otáčky [ot/min] | 1520 | 1230 | 444 | 359 | 290 | 127 | 102 | 83 | 66,5 | 54 | |
| Hmotnost [g] | 955 | 955 | 1140 | 1140 | 1140 | 1330 | 1330 | 1330 | 1330 | 1330 | |
| Převodový poměr | 113:1 | 150:1 | 230:1 | 285:1 | 353:1 | 488:1 | 676:1 | |
|---|---|---|---|---|---|---|---|---|
| 12 V | Jm. moment [kg-cm] | 32 | 36 | 55 | 68 | 84 | 100 | 100 |
| Jm. otáčky [ot/min] | 49,5 | 37 | 24 | 19,5 | 15,5 | 11,5 | 8,3 | |
| 24 V | Jm. moment [kg-cm] | 44 | 48 | 74 | 92 | 100 | 100 | 100 |
| Jm. otáčky [ot/min] | 48 | 36 | 23,5 | 19 | 15,5 | 11,6 | 8,4 | |
| Hmotnost [g] | 1330 | 1500 | 1500 | 1500 | 1500 | 1500 | 1500 | |

Vlastnosti převodovky
- Vůle naprázdno ≤ 3 °
- Radiální zatížení ≤ 20 kg (10 mm od příruby)
- Axiální zatížení ≤ 10 kg
- Síla při lisování na hřídel ≤ 30 kg
- Radiální vůle ≤ 0,04 mm
- Axiální vůle ≤ 0,3 mm
- Provozní teplota -10...60 °C
- Relativní vlhkost 20...85 %
| Převodový poměr | 3, 4:1 | 12, 15:1 | 19:1 | 43, 53, 66, 81, 100, 113:1 | 150, 212, 230, 285, 353, 488, 676:1 |
|---|---|---|---|---|---|
| Max. trvalý moment [kg-cm] | 10,0 | 30,0 | 50,0 | 100,0 | 100,0 |
| Účinnost [%] | 80 | 70 | 70 | 60 | 50 |
| Délka L [mm] | 53,0 | 68,5 | 68,5 | 84,0 | 99,5 |
Vlastnosti motoru
| Jm. napětí [V] | Jm. moment [g-cm] | Jm. otáčky [ot/min] | Jm. proud [mA] | Otáčky naprázdno [ot/min] | Proud naprázdno [mA] | Jm. výkon [W] |
|---|---|---|---|---|---|---|
| 12 | 480 | 5600 | ≤5600 | 6000 | ≤1750 | 58,6 |
| 24 | 650 | 5450 | ≤2750 | 6000 | ≤750 | 48,3 |

Vlastnosti enkodéru
- Magnetický enkodér s hallovými sondami
- Dva senzory vzájemně posunuté o 90 °
- Výstup je zapojen jako otevřený kolektor
- 5 pulsů na otáčku motoru (PPR) a senzor
- Napájecí napětí 3,5 až 20 V
- Délka krytu enkodéru (D) 18,0 mm
- Ke konektoru nabízíme vhodné vidlice do plošného spoje