Hlavní stránka >
Stejnosměrné motory s planetovou převodovkou >
Série PG521
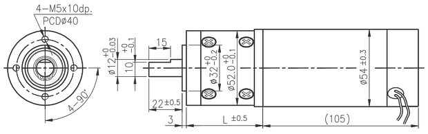
DC motor série PG521 s planetovou převodovkou
- Kvalitní stejnosměrný komutátorový motor s uhlíkovými kartáči
- Obsahuje filtr k potlačení elektromagnetického rušení
- Obousměrný, směr otáčení nastavíte změnou polarity napájecího napětí
- Planetová převodovka s kovovými ozubenými koly
- Výstupní hřídel je uložena v kuličkovém ložisku
- K dispozici také verze s enkodérem
Vlastnosti motoru s převodovkou
| Převodový poměr | 3:1 | 4:1 | 12:1 | 15:1 | 19:1 | 26:1 | 43:1 | 53:1 | 66:1 | 81:1 | 100:1 | |
|---|---|---|---|---|---|---|---|---|---|---|---|---|
| 12 V | Jm. moment [kg-cm] | 2,5 | 3,1 | 7,7 | 9,5 | 11,8 | 16 | 23 | 28 | 35 | 44 | 54 |
| Jm. otáčky [ot/min] | 1030 | 835 | 295 | 238 | 192 | 139 | 84 | 68 | 55 | 44 | 36 | |
| 24 V | Jm. moment [kg-cm] | 3,6 | 4,5 | 11 | 13,5 | 17 | 23 | 33 | 41 | 51 | 62 | 78 |
| Jm. otáčky [ot/min] | 1000 | 815 | 285 | 230 | 185 | 136 | 82 | 67 | 54 | 44 | 35 | |
| Hmotnost [g] | 1395 | 1395 | 1580 | 1580 | 1580 | 1580 | 1770 | 1770 | 1770 | 1770 | 1770 | |
| Převodový poměr | 113:1 | 150:1 | 230:1 | 285:1 | 353:1 | 488:1 | 676:1 | 936:1 | |
|---|---|---|---|---|---|---|---|---|---|
| 12 V | Jm. moment [kg-cm] | 60 | 67 | 100 | 100 | 100 | 100 | 100 | 100 |
| Jm. otáčky [ot/min] | 32 | 24 | 15,5 | 12,8 | 10,4 | 7,6 | 5,6 | 4,0 | |
| 24 V | Jm. moment [kg-cm] | 88 | 97 | 100 | 100 | 100 | 100 | 100 | 100 |
| Jm. otáčky [ot/min] | 31 | 23,5 | 15,6 | 12,9 | 10,5 | 7,7 | 5,7 | 4,1 | |
| Hmotnost [g] | 1770 | 1940 | 1940 | 1940 | 1940 | 1940 | 1940 | 1940 | |

Vlastnosti převodovky
- Vůle naprázdno ≤ 3 °
- Radiální zatížení ≤ 20 kg (10 mm od příruby)
- Axiální zatížení ≤ 10 kg
- Síla při lisování na hřídel ≤ 30 kg
- Radiální vůle ≤ 0,04 mm
- Axiální vůle ≤ 0,3 mm
- Provozní teplota -10...60 °C
- Relativní vlhkost 20...85 %
| Převodový poměr | 3, 4:1 | 12, 15:1 | 19:1 | 43, 53, 66, 81, 100, 113:1 | 150, 212, 230, 285, 353, 488, 676, 936:1 |
|---|---|---|---|---|---|
| Max. trvalý moment [kg-cm] | 10,0 | 30,0 | 50,0 | 100,0 | 100,0 |
| Účinnost [%] | 80 | 70 | 70 | 60 | 50 |
| Délka L [mm] | 53,0 | 68,5 | 68,5 | 84,0 | 99,5 |
Vlastnosti motoru
| Jm. napětí [V] | Jm. moment [g-cm] | Jm. otáčky [ot/min] | Jm. proud [mA] | Otáčky naprázdno [ot/min] | Proud naprázdno [mA] | Jm. výkon [W] |
|---|---|---|---|---|---|---|
| 12 | 900 | 3620 | ≤4100 | 4000 | ≤1200 | 33,5 |
| 24 | 1300 | 3550 | ≤2850 | 4000 | ≤700 | 48,6 |
Vlastnosti enkodéru
- Magnetický enkodér s hallovými sondami
- Dva senzory vzájemně posunuté o 90 °
- Výstup je zapojen jako otevřený kolektor
- 5 pulsů na otáčku motoru (PPR) a senzor
- Napájecí napětí 3,5 až 20 V
- Délka krytu enkodéru (D) 18,0 mm
- Ke konektoru nabízíme vhodné vidlice do plošného spoje