Hlavní stránka >
Stejnosměrné motory s planetovou převodovkou >
Série PGS430
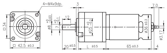
DC motor série PGS430 s planetovou převodovkou
- Kvalitní stejnosměrný komutátorový motor s uhlíkovými kartáči
- Obsahuje filtr k potlačení elektromagnetického rušení
- Obousměrný, směr otáčení nastavíte změnou polarity napájecího napětí
- Planetová převodovka s kovovými ozubenými koly
- Výstupní hřídel je uložena v kuličkovém ložisku
- K dispozici také verze s enkodérem
Vlastnosti motoru s převodovkou
| Převodový poměr | 4:1 | 14:1 | 17:1 | 24:1 | 49:1 | 61:1 | 84:1 | 104:1 | 144:1 | 212:1 | 294:1 | 504:1 | 624:1 | 864:1 | |
|---|---|---|---|---|---|---|---|---|---|---|---|---|---|---|---|
| 12 V | Jm. moment [kg-cm] |
1,0 | 3,0 | 3,6 | 5,2 | 9,2 | 11 | 15 | 19 | 20 | 25 | 25 | 30 | 30 | 30 |
| Jm. otáčky [ot/min] |
1250 | 363 | 293 | 212 | 103 | 83,5 | 60,5 | 49,0 | 38,0 | 25,4 | 18,9 | 11,2 | 8,8 | 6,0 | |
| 24 V | Jm. moment [kg-cm] |
0,9 | 2,6 | 3,1 | 4,5 | 8,0 | 10 | 14 | 17 | 20 | 25 | 25 | 30 | 30 | 30 |
| Jm. otáčky [ot/min] |
1290 | 375 | 302 | 218 | 107 | 86,5 | 62,5 | 50,5 | 39,0 | 26,2 | 18,8 | 11,2 | 8,8 | 6,5 | |
| Hmotnost [g] | 456 | 516 | 516 | 516 | 571 | 571 | 571 | 571 | 571 | 626 | 626 | 626 | 626 | 626 | |

Vlastnosti převodovky
- Vůle naprázdno ≤ 3 °
- Radiální zatížení ≤ 8 kg (10 mm od příruby)
- Axiální zatížení ≤ 3 kg
- Síla při lisování na hřídel ≤ 15 kg
- Radiální vůle ≤ 0,05 mm
- Osová vůle ≤ 0,3 mm
- Provozní teplota -10...60 °C
- Relativní vlhkost 20...85 %
| Převodový poměr | 4:1 | 14:1 | 17:1 | 24:1 | 49:1 | 61:1 | 84:1 | 104:1 | 144:1 | 212:1 | 294:1 | 504:1 | 624:1 | 864:1 |
|---|---|---|---|---|---|---|---|---|---|---|---|---|---|---|
| Max. trvalý moment [kg-cm] |
4,0 | 8,0 | 8,0 | 8,0 | 15,0 | 15,0 | 15,0 | 20,0 | 20,0 | 25,0 | 25,0 | 30,0 | 30,0 | 30,0 |
| Účinnost [%] | 80 | 70 | 70 | 70 | 60 | 60 | 60 | 60 | 60 | 50 | 50 | 50 | 50 | 50 |
| Délka L [mm] | 26,1 | 32,8 | 32,8 | 32,8 | 39,5 | 39,5 | 39,5 | 39,5 | 39,5 | 46,2 | 46,2 | 46,2 | 46,2 | 46,2 |
Vlastnosti motoru
| Jm. napětí [V] | Jm. moment [g-cm] | Jm. otáčky [ot/min] | Jm. proud [mA] | Otáčky naprázdno [ot/min] | Proud naprázdno [mA] | Jm. výkon [W] |
|---|---|---|---|---|---|---|
| 12 | 320 | 5090 | ≤2100 | 6000 | ≤350 | 17,09 |
| 24 | 280 | 5250 | ≤900 | 6000 | ≤170 | 15,56 |

Vlastnosti enkodéru
- Magnetický enkodér s hallovými sondami
- Dva senzory vzájemně posunuté o 90 °
- Výstup je zapojen jako otevřený kolektor
- 7 pulsů na otáčku motoru (PPR) a senzor
- Napájecí napětí 3,5 až 20 V
- Délka krytu enkodéru (D) 13,5 mm
- Ke konektoru nabízíme vhodné vidlice do plošného spoje